- Promocje
SILNIK Z PRZEKŁADNIĄ - WOLNOBIEŻNY
.
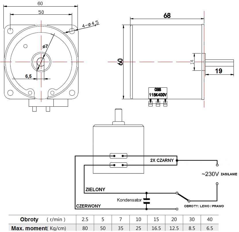
230VAC, moc max 35W, 2,5 OBROTÓW NA MINUTĘ
.
Wbudowana przekładnia, cicha praca. Możliwa łatwa zmiana kierunku obrotów.
Silnik wolnoobrotowy stosowany do pracy okresowej S3 15% 30 minut. Co oznacza że po włączeniu może pracować do 4,5 minuty po czym wymagana przerwa minimum 25 minut (cykl 30 minutowy), czyli silniczek jest przeznaczony do pracy okresowej, nie ciągłej. Oczywiście jeśli praca będzie krótsza np. 1 minuta to i wymagana przerwa będzie wtedy krótsza ok. 7 minut. Silnik stosowany w wielu maszynach gdzie okresowo należy wykonać jakiś ruch czy obrót mechanizmu itp.
.
W komplecie jest kondensator.
.
Brak szczotek więc nie trzeba ich wymieniać.
.
Moc maksymalna 35W, zasilanie 230VAC 50Hz.
.
Maksymalny moment 80kg.cm
.
Poniżej orientacyjne wymiary oraz sposób podłączenia z kondensatorem i zasilaniem:

Silniki są fabrycznie nowe.
.
Pakowane w opakowanie zbiorcze 50 szt.
Galeria produktu:




